| 注意:访问本站需要Cookie和JavaScript支持!请设置您的浏览器! • 打开购物车 • 查看留言 • 付款方式 • 联系我们 |
![]() |
| 首页 | 电子入门 | 学单片机 | 免费资源 | 下载中心 | 商品列表 | 象棋在线 | 在线绘图 | 加盟五一 | 加入收藏 | 设为首页 |
| 选择分类:当前分类——学单片机 相关联或者相类似的文章: 三十分钟一个小时学会单片机(9045) 什么是单片机?单片机有什么用? (8723) 如何用STC板将代码烧录进IC(8681) 怎样安装AT51编程板的USB转串口软件?(8206) 送给单片机爱好者——LED在线编码器(1814) 送给单片机爱好者——LED点阵在线编码器(1544) 单片机系统中的汉字显示(1492) 带语音报数功能的抢答器(1489) 用VB进行串口实时数据采集(1347) 用AT89C2051设计超声波测距仪(1171) 小小电子闹钟 生活学习良伴(1165) DS1820测温原理(1129) 几句代码实现控制摄像头(转)(1117) STC单片机选型指南(1111) 自制PIC单片机编程器(1105) USB转串口芯片CH340(1010) 快速学习单片机之黄金机会!(1010) 告戒购单片机开发实验板初学者(970) 新款实用旋转LED显示屏A(890) 使用市售 USB转RS232串口与PLC通信的测试报告 (881) 首页 前页 后页 尾页 本站推荐: | OCM12232系列点阵型液晶显示模块 使用说明书 一、液晶驱动IC基本特性
1、具有低功耗、供应电压范围宽等特点。
2、具有16common和61segment输出,并可外接驱动IC扩展驱动。
3、具有2560位显示RAM(DD RAM),即80×8×4位
4、具有与68系列或80系列相适配的MPU接口功能,并有专用的指令集,可完成文本显示或
图形显示的功能设置
二、模块基本特性
视域尺寸:,60.5×18.0mm(12232-1/-2),54.8×18.3mm(12232-3)
显示类型:黄底黑字
LCD显示角度:6点钟直观
驱动方式:1/32 duty,1/6 bias
连接方式:导电胶条,铁框
● 补充说明:模块外观尺寸可根据用户的要求进行适度调整。
三、工作参数
1、逻辑工作电压(VDD-VSS):2.4~6.0V
2、LCD驱动电压(Vdd-Vlcd):3.0~13.5V
3、工作温度(Ta):0~55℃(常温) / -20~70℃(宽温)
4、保存温度(Tstg):-10~70℃
四、电气特性(测试条件 Ta=25,Vdd=5.0±0.25V)
1、输入高电平(Vih):3.5Vmin
2、输入低电平(Vil):0.55Vmax
3、输出高电平(Voh):3.75Vmin
4、输出低电平(Vol):1.0Vmax
5、工作电流:2.0mAmax
五、接口说明
管脚说明:
l VDD:逻辑电源正
l GND(VSS): 逻辑电源地
l VLCD(VEE,V0):LCD驱动电源
l RET:复位端,对于68系列MPU:上升沿(L-H)复位,且复位后电平须保持为高电平(H);
对于80系列MPU:下降沿(H-L)复位,且复位后电平须保持为低电平(L)。
l CS1:读写使能。对于68系列MPU,连接使能信号引脚,高电平有效;
对于80系列MPU,连接/RD引脚,低电平有效。
l CS2:同E1引脚。
l /RD:读允许,低电平有效。
l /WR:写允许,低电平有效。
l R/W:读写选择,对于68系列MPU,高电平时读数据,低电平时写数据;
对于80系列MPU,低电平时允许数据传输,上升沿时锁定数据。
l A0:数据/指令选择。高电平:数据D0-D7将送入显示RAM;
低电平:数据D0-D7将送入指令执行器执行。
l D0-D7:数据输入输出引脚。
六、指令描述
1、 显示模式设置
R/W
CODE: A0 /RD /WR D7 D6 D5 D4 D3 D2 D1 D0
功能:开/关屏幕显示,不改变显示RAM(DD RAM)中的内容,也不影响内部状态。D=0,开显示;D=1,关显示。如果在显示关闭的状态下选择静态驱动模式,那么内部电路将处于安全模式。
2、 设置显示起始行
R/W
CODE: A0 /RD /WR D7 D6 D5 D4 D3 D2 D1 D0
功能:执行该命令后,所设置的行将显示在屏幕的第一行。起始地址可以是0-31范围内任意一行。行地址计数器具有循环计数功能,用于显示行扫描同步,当扫描完一行后自动加一。
3、 页地址设置
R/W
CODE: A0 /RD /WR D7 D6 D5 D4 D3 D2 D1 D0
功能:设置页地址。当MPU要对DD RAM进行读写操作时,首先要设置页地址和列地址。本指令不影响显示。
4、 列地址设置
R/W
CODE: A0 /RD /WR D7 D6 D5 D4 D3 D2 D1 D0
功能:设置DD RAM中的列地址。当MPU要对DD RAM进行读写操作前,首先要设置页地址和列地址。执行读写命令后,列地址会自动加1,直到达到50H才会停止,但页地址不变。
5、 读状态指令
R/W
CODE: A0 /RD /WR D7 D6 D5 D4 D3 D2 D1 D0
功能:检测内部状态。
BUSY为忙信号位,BUSY =1:内部正在执行操作;BUSY =0:空闲状态。
ADC为显示方向位,ADC=0:反向显示;ADC=1:正向显示。
ON/OFF显示开关状态,ON/OFF=0:显示打开,ON/OFF=1:显示关闭。
RESET复位状态,RESET=0:正常,RESET=1:内部正处于复位初始化状态。
6、 写显示数据
R/W
CODE: A0 /RD /WR D7 D6 D5 D4 D3 D2 D1 D0
功能:将8位数据写入DD RAM,该指令执行后,列地址自动加1,所以可以连续将数据写入DD RAM而不用重新设置列地址。
7、 读显示数据
R/W
CODE: A0 /RD /WR D7 D6 D5 D4 D3 D2 D1 D0
功能:读出页地址和列地址限定的DD RAM地址内的数据。当“读-修改-写模式”关闭时,每执行一次读指令,列地址自动加1,所以可以连续从DD RAM读出数据而不用设置列地址。
注意:再设置完列地址后,首次读显示数据前必须执行一次空的“读显示数据”。这是因为设置完列地址后,第一次读数据时,出现在数据总线上的数据是列地址而不是所要读出的数据。
8、 设置显示方向
R/W
CODE: A0 /RD /WR D7 D6 D5 D4 D3 D2 D1 D0
功能:该指令设置DD RAM中的列地址与段驱动输出的对应关系
显示当设置D=0时,反向;D=1时,正向。
9、 开/关静态驱动模式设置
R/W
CODE: A0 /RD /WR D7 D6 D5 D4 D3 D2 D1 D0
功能:D=0表示关闭静态显示,D=1表示打开静态显示。
如果在打开静态显示时,执行关闭显示指令,内部电路将被置为安全模式。
10、DUTY选择
R/W
CODE: A0 /RD /WR D7 D6 D5 D4 D3 D2 D1 D0
功能:设置D=0 表示1/16DUTY,D=1表示1/32DUTY。
11、“读-修改-写”模式设置
R/W
CODE: A0 /RD /WR D7 D6 D5 D4 D3 D2 D1 D0
功能:执行该指令以后,每执行一次写数据指令列地址自动加1;但执行读数据指令时列地址不会改变。这个状态一直持续到执行“END”指令。
注意:在“读-修改-写”模式下,除列地址设置指令之外,其他指令照常执行。
12、END指令
R/W
CODE: A0 /RD /WR D7 D6 D5 D4 D3 D2 D1 D0
功能:关闭“读-修改-写”模式,并把列地址指针恢复到打开“读-修改-写”模式前的位置。
13、复位指令
R/W
CODE: A0 /RD /WR D7 D6 D5 D4 D3 D2 D1 D0
功能:使模块内部初始化。
初始化内容:① 设置显示初始行为第一行;
②页地址设置为第三页。
复位指令对显示RAM没有影响。
14、设置安全模式
通过关闭显示并打开静态显示的方法,可以设置安全模式,以减小功耗。
安全模式下的内部状态:
l 停止LCD驱动。Segment和Common输出VDD电平。
l 停止晶体震荡并禁止外部时钟输入,晶振输入OSC2引脚处于不确定状态。
l 显示数据和内部模式不变。
可通过打开显示或关闭静态显示的方法关闭安全模式。
七、接口时序
⒈ 与68系列MPU接口读写操作时序图
时序1
时序参数表(VDD=5.0±10%,VSS=0V,Ta=-20~+75℃)
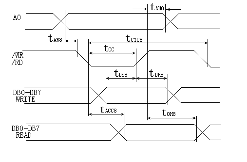
⒉ 与80系列MPU接口读写操作时序图
时序2 时序参数表(VDD=5.0±10%,VSS=0V,Ta=-20~+70℃)
八、显示数据存储器(DDRAM)与地址的对应关系
(显示设定为 1/32 DUTY,显示起始行为10th) 九、应用举例
1、 模块接口与8031单片机测架连接表(以OCM12232-1模块为例):
2、简单的测试程序(模拟68MPU接口时序)
;********给主IC发送控制指令子程序**********
S_INS1:SETB TXD
CLR INT1
MOV P1,A
CLR TXD
LCALL DELAY
RET
;********给主IC发送显示数据子程序**********
S_DAT1:SETB TXD
SETB INT1
MOV P1,A
CLR TXD
LCALL DELAY
RET
;********给辅IC发送控制指令子程序**********
S_INS2:SETB RXD
CLR INT1
MOV P1,A
CLR RXD
LCALL DELAY
RET
;********给辅IC发送显示数据子程序**********
S_DAT2:SETB RXD
SETB INT1
MOV P1,A
CLR RXD
LCALL DELAY
RET
;********显示错位点程序**********
MOV R3, #55H
MOV R4, #0AAH
LDOT: MOV R2,#0B8H
LDOT1: MOV A,R2 ;页地址设置,0页
LCALL S_INS1
LCALL S_INS2
MOV A,#00H ;列地址设置,0列
LCALL S_INS1
LCALL S_INS2
MOV R1,#1EH ;发送显示数据
LDOT2: MOV A, R3
LCALL S_DAT1
LCALL S_DAT2
MOV A, R4
LCALL S_DAT1
LCALL S_DAT2
DJNZ R1, LDOT2
MOV A, R3
LCALL S_DAT1
LCALL S_DAT2
INC R2
CJNE R2,#0BCH,LDOT1
LCALL DEALY
RET IV align=center>Tds8 |
80 |
|
ns | ||||||||||||||||||||||||||||||||||||||||||||||||||||||||||||||||||||||||||||||||||||||||||||||||||||||||||||||||||||||||||||||||||||||||||||||||||||||||||||||||||||||||||||||||||||||||||||||||||||||||||||||||||||||||||||||||||||||||||||||||||||||||||||||||||||||||||||||||||||||||||||||||||||||||||||||||||||||||||||||||||||||||||||||||||||||||||||||||||||||||||||||||||||||||||||||||||||||||||
|
写数据保持时间 |
Tdh8 |
10 |
|
ns | ||||||||||||||||||||||||||||||||||||||||||||||||||||||||||||||||||||||||||||||||||||||||||||||||||||||||||||||||||||||||||||||||||||||||||||||||||||||||||||||||||||||||||||||||||||||||||||||||||||||||||||||||||||||||||||||||||||||||||||||||||||||||||||||||||||||||||||||||||||||||||||||||||||||||||||||||||||||||||||||||||||||||||||||||||||||||||||||||||||||||||||||||||||||||||||||||||||||||||
|
读存取时间 |
Tacc8 |
|
90 |
ns | ||||||||||||||||||||||||||||||||||||||||||||||||||||||||||||||||||||||||||||||||||||||||||||||||||||||||||||||||||||||||||||||||||||||||||||||||||||||||||||||||||||||||||||||||||||||||||||||||||||||||||||||||||||||||||||||||||||||||||||||||||||||||||||||||||||||||||||||||||||||||||||||||||||||||||||||||||||||||||||||||||||||||||||||||||||||||||||||||||||||||||||||||||||||||||||||||||||||||||
|
读数据保持时间 |
Tch8 |
10 |
60 |
ns | ||||||||||||||||||||||||||||||||||||||||||||||||||||||||||||||||||||||||||||||||||||||||||||||||||||||||||||||||||||||||||||||||||||||||||||||||||||||||||||||||||||||||||||||||||||||||||||||||||||||||||||||||||||||||||||||||||||||||||||||||||||||||||||||||||||||||||||||||||||||||||||||||||||||||||||||||||||||||||||||||||||||||||||||||||||||||||||||||||||||||||||||||||||||||||||||||||||||||||
![]() |
|
模块引脚 |
符号 |
8031单片机引脚 |
|
3 |
Vlcd |
与GND间接一可调电阻 |
|
4 |
RET |
Vcc |
|
5 |
CS1 |
TXD |
|
6 |
CS2 |
RXD |
|
7 |
R/W |
GND |
|
8 |
A0 |
INT1 |
|
9~16 |
D0~D7 |
P1口 |
|
本站协议 |
版权信息 |
关于我们 |
本站地图 |
营业执照 |
发票说明 |
付款方式 |
联系方式
深圳市宝安区西乡五壹电子商行——粤ICP备16073394号-1;地址:深圳西乡河西四坊183号;邮编:518102 E-mail:51dz$163.com($改为@);Tel:(0755)27947428 工作时间:9:30-12:00和13:30-17:30和18:30-20:30,无人接听时可以再打手机13537585389 |