3. 多路开关状态指示
1. 实验任务
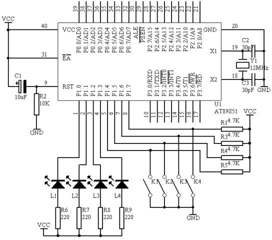
如图4.3.1所示,AT89S51单片机的P1.0-P1.3接四个发光二极管L1-L4,P1.4-P1.7接了四个开关K1-K4,编程将开关的状态反映到发光二极管上。(开关闭合,对应的灯亮,开关断开,对应的灯灭)。
2. 电路原理图
图4.3.1
3. 系统板上硬件连线
(1. 把“单片机系统”区域中的P1.0-P1.3用导线连接到“八路发光二极管指示模块”区域中的L1-L4端口上;
(2. 把“单片机系统”区域中的P1.4-P1.7用导线连接到“四路拨动开关”区域中的K1-K4端口上;
4. 程序设计内容
(1. 开关状态检测
对于开关状态检测,相对单片机来说,是输入关系,我们可轮流检测每个开关状态,根据每个开关的状态让相应的发光二极管指示,可以采用JB P1.X,REL或JNB P1.X,REL指令来完成;也可以一次性检测四路开关状态,然后让其指示,可以采用MOV A,P1指令一次把P1端口的状态全部读入,然后取高4位的状态来指示。
(2. 输出控制
根据开关的状态,由发光二极管L1-L4来指示,我们可以用SETB P1.X和CLR P1.X指令来完成,也可以采用MOV P1,#1111XXXXB方法一次指示。
5. 程序框图
读P1口数据到ACC中
|
ACC内容右移4次 |
|
ACC内容与F0H相或 |
|
ACC内容送入P1口 |
图4.3.2
6. 方法一(汇编源程序)
ORG 00H
START: MOV A,P1
ANL A,#0F0H
RR A
RR A
RR A
RR A
XOR A,#0F0H
MOV P1,A
SJMP START
END
7. 方法一(C语言源程序)
#include <AT89X51.H>
unsigned char temp;
void main(void)
{
while(1)
{
temp=P1>>4;
temp=temp | 0xf0;
P1=temp;
}
}
8. 方法二(汇编源程序)
ORG 00H
START: JB P1.4,NEXT1
CLR P1.0
SJMP NEX1
NEXT1: SETB P1.0
NEX1: JB P1.5,NEXT2
CLR P1.1
SJMP NEX2
NEXT2: SETB P1.1
NEX2: JB P1.6,NEXT3
CLR P1.2
SJMP NEX3
NEXT3: SETB P1.2
NEX3: JB P1.7,NEXT4
CLR P1.3
SJMP NEX4
NEXT4: SETB P1.3
NEX4: SJMP START
END
9. 方法二(C语言源程序)
#include <AT89X51.H>
void main(void)
{
while(1)
{
if(P1_4==0)
{
P1_0=0;
}
else
{
P1_0=1;
}
if(P1_5==0)
{
P1_1=0;
}
else
{
P1_1=1;
}
if(P1_6==0)
{
P1_2=0;
}
else
{
P1_2=1;
}
if(P1_7==0)
{
P1_3=0;
}
else
{
P1_3=1;
}
}
}